Hong Yuan Valve Industry Index Page Hong Yuan Valves Industry CO., LTD
| Butterfly Valve | Wafer Check Valve | Balance valve | Gate Valve | Globe Valve | Ball Valve | Y Strainer | Flange | Pipe fitting | About us |

Smolensky Check Valve (Lift Check Valve Added By Pass)

MODEL: Smolensky check valve ( CL-02)

Flange to Specification: JIS 10K FF,
Face to Face: JIS 10K
Safe Working Pressure: PN10
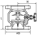
overall of smolensky check valve

Dimensions of Smolensky check valve ( unit: mm)

Model

CL-02

Size L H D
40 150 122 140
50 175 125 155
65 185 137 175
80 195 147 185
100 200 155 210
125 254 175 250
150 280 185 280
200 368 220 330
250 400 260 400
300 460 280 445


Wafer Check Valve

About Check Valve
Specification
Order Code
Order On Line
CW1000
CW2000
CW3000
CW4000
CW5000
CW6000

Swing Check Valve

Overall and Dimensions

Lift Check Valve

Specification
Valve Dimensions

Smolensky Check Valve

smolensky check valve
Valve Dimensions

smolensky check valve CL-04
Butterfly Valve Wafer check valve Balance valve Gate Valve Globe Valve Ball Valve Y Strainer Flange Pipe fitting

we are selling  our products to the world Copyright © Tang Shan Hong Yuan valve industry Co. LTD. All Rights Reserved
Contact info@hyvp.comwith questions or comments.
Websites: http://www.hyvp.com